您好!欢迎光临深圳市乙元兴自动门有限公司
全国免费咨询电话:15338821381
业务咨询热线电话:13316858031
解决方案
工业卷帘门解决方案
2019-01-19 38655

一、序言:

感谢您使用乙元兴快速门,快速门别名为
快速卷帘门、高速门、高速卷帘门。
快速门类型分为:
pvc透明快速门堆积式pvc快速门、风淋室快速门、防爆型快速门、防脱轨快速门等。


请您仔细阅读本产品手册,再进行相关的操作,本手册主要为用户提供正确安全的使用和操作相关指导及说明,手册中涉及到控制吕的参数设定、异常诊断排除、日常维护等

以下为特别注意的事项:

Ø  接线前,请确认输入电源已切断,禁止带电拔插航空插头。

Ø  确认主回路电源电压与控制器额定电压是否一致,且确保接地端子可靠接地

Ø  请勿直接触摸输出端子,切勿将输出端子短接或与外壳连接。

Ø  切断交流电源后,控制器液晶显示熄灭前,表示控制器内部仍有高压,请勿触摸内部电路及电子元件。

Ø  在控制器内部的电子元件对静电特别敏感,因此不可将异物置入电机驱动器内部或触摸主电路板。

 

 

二.交货检查

每台控制器在出厂前,均经严格的品管。开箱时,请认真确认:在运输中是否有破坏或刮伤损坏现象,本机铭牌的额定值是否与您订货要求相一致。

三.标准规格

额定功率

750W

额定转速

2000rpm

额定扭矩

3.5Nm

电机最高温升

<30℃

工作温度范围

-35℃-60℃

力矩管理系统

力矩随动系统

限位模式

绝对值编码器

自锁方式

电子机械刹车

手动释放

摇柄

重量

10KG

1.电机规格参数

2.电控规格参数

电源电压

AC220V±10%

速度控制

闭环速度控制

位置控制

闭环位置控制

保护功能

过流保护;过压保护;欠压保护;过热保护;过载保护等

使用场所

室内,不受阳光直射,无尘埃,腐蚀性气体,水蒸气等

工作温度范围

-35℃~60℃

重量

7.5KG

四、产品操作

1.操作功能介绍

  本公司所有生产的伺服控制系统,有如下操作方式可供选择:控制柜操作、点动升降、连续升降、紧急停机、单面操作盒操作、延时操作、雷达操作及地磁操作。请根据接线定义表,外接所需设备。

系统内配有机器保护装置——保险(丝)控制关断开关或三相电源保护

 

2.按钮功能介绍

a) “↑”门帘上升按钮:点动上升或连续上升

b) “↓”门帘下降按钮:点动下降或连续下降

c) “STOP”急停按钮:紧急情况下,无论门帘上升或下降在何种位置,按下此按钮,系统将立即停止运行即可保持该状态。

       d)液晶屏下四个按键,根据液晶屏内文字描述,定义为主菜单按键。                                         

 

3. 行程控制器的安装

行程控制器使用绝对值编码器方案,将绝对值编码器轴头插入减速机内,通过螺丝将两翼锁紧在减速机上,再将航空插头插入插座即可。


4.安装注意事项:

电机、电控柜必须进行接地保护;

安装、调试和开闭门时,严禁门下站人后行走;

安装电机组时,门轴需要插入减速机一半以上;

操作关闭门帘之前,应先检查门帘下方是否有阻碍物,若有,必须清理干净;

自行拆开控制柜内箱所造成的破坏,本公司不承担免费维修责任。

本公司保留任何适当的技术、生产和商业化改进的修改的权利,同时产品的基本特点并不改变。


按用户使用需要:

定期检查控制箱吊装螺丝有无松脱,内箱接线柱有无松脱,电线与电源线有无老化现象。

定期为减速机添加润滑油,更换机油。

 

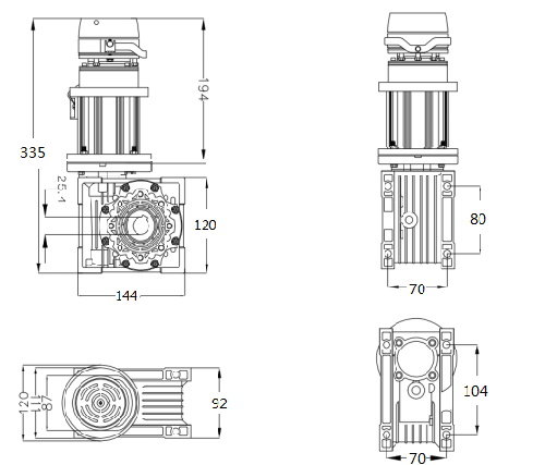
产品尺寸
快速门电控柜png
快速门电机

七.系统操作

主界面 

              (显示)

工作模式:    (模式)

运行状态:    (状态)

信息  故障  设置  模式

┆     (状态):显示当前门控系统状态;正常、开门中、关门中、故障、急停、安全1、                       

┆              安全2、互锁、请维护。

┆     (显示):可选择显示当前输出力矩、当前开启高度、当前开启速度。

┆------模式

┆        按模式键可以修改运行模式:手动、自动、点动。                                  

┆        手动与点动模式下,所有外接自动设备包含,雷达,地磁等全部失效 。

┆        所有外接安全保护设备在任何模式下,永远有效。                              

┆------设置

┆    ┆  按设置键后首先要输入密码(6668)。

输入密码

6666

增加  减少  确定  返回

┆    ┆

┆    ┆

┆    ┆

┆    ┆

┆    ┆

┆    ┆

┆    ┆

┆    ┆

┆    ┆

┆    ┆

输入密码

6668

增加  减少  确定  返回

┆    ┆

┆    ┆

┆    ┆

┆    ┆

┆    ┆

 

┆    ┆ ------1.电子行程设定

┆    ┆   选择电子行程设定;根据屏幕提示确定电机转向、开门位置、关

┆    ┆   门位置, 完成行程设定。 

点击开门按钮

转向是否正确

正确              错误

┆    ┆

┆    ┆

┆    ┆

┆    ┆

┆    ┆

┆    ┆

开门位置设定

确认              返回

┆    ┆                 通过点动“↑”按键,判断电机运转方向是否正确。

┆    ┆

┆    ┆

┆    ┆

┆    ┆

┆    ┆           

┆    ┆

关门位置设定

确认              返回

┆    ┆                           

┆    ┆                 点动“↑”按键到开门位置,随后按“确认”键

┆    ┆

┆    ┆

┆    ┆

┆    ┆

┆    ┆

电子行程设定

完成

┆    ┆

┆    ┆

┆    ┆                 点动“↓”按键到关门位置,随后按“确认”键

┆    ┆

┆    ┆

┆    ┆

┆    ┆

┆    ┆                        

┆    ┆

┆    ┆               关门位置设置完成,电子行程设定便完成,门体便可正常行。

┆    ┆                注意事项:“上”限位确认前的行程设定必须是开门动作,

┆    ┆                         “下”限位确认前的行程设定必须是关门动作。

┆    ┆------2.参数设置

序号

菜单

内容及调试范围

默认值

1

开门速度

10-110

110

2

关门速度

10-110

90

3

开门减速区间

50-70

50

4

关门减速区间

50-70

50

5

自动关门延迟时间

●禁止自动关门

●1-120秒

5

6

信号输出1设定

●离开关门位置

●在关门位置

●离开开门位置

●在开门位置

●开门运行中

●关门运行中

●在非限位位置

●在限位位置

●到达关门位置

●故障报警输出

●禁止

离开关门位置(互锁输出)

7

信号输出2设定

同信号输出1设定

到达关门位置(联动输出)

8

部分开门高度

10-100%

100

9

运行显示设定

●当前开启高度

●当前开启速度

●当前输出力矩

当前输出力矩

10

开启背光常亮

●60秒自动关闭

●常亮

常亮

11

自动防冻运行

     关闭

     1~999分钟

关闭

------3.实时时钟设定

            可修改系统内置时钟的年、月、日、小时、分钟各项。

 

┆    ┆------4.设备高级设定

┆    ┆    ┆------1.联网通信设定:可配置用于RS485通信的设备站点号和通信波特率。

┆    ┆    ┆------2.传感器逻辑



序号

受控制

范围

默认值

1

急停输入(12)

常开/常闭

常闭

2

安全信号1(15)

常开/常闭

常闭

3

安全信号2(16)

常开/常闭

常闭

4

自动完全开门(17)

常开/常闭

常开

5

部分开门(18)

常开/常闭

常开

6

单键循环开关(20)

常开/常闭

常开

7

开门限位开关(21)

常开/常闭

常闭

8

关门限位开关(22)

常开/常闭

常闭

9

互锁输入(23)

常开/常闭

常开

┆    ┆    ┆

┆    ┆    ┆

┆    ┆    ┆

┆    ┆    ┆

┆    ┆    ┆

┆    ┆    ┆

┆    ┆    ┆

┆    ┆    ┆

┆    ┆    ┆

┆    ┆    ┆

┆    ┆    ┆

 输入端口(括号内为端口号)可以根据需要进行常开/常闭状态选择

1.急停输入(12)

2.安全信号1(15)

3.安全信号2(16)

上翻  下翻  确定  返回

急停输入

常闭

更改         保存 返回

┆    ┆    ┆

┆    ┆    ┆

┆    ┆    ┆

┆    ┆    ┆

┆    ┆    ┆

┆    ┆    ┆

┆    ┆    ┆

┆    ┆    ┆------3.高级参数设定

┆    ┆    ┆首先要输入密码(7779)。

输入密码

7777

增加  减少  确定  返回

输入密码

7779

增加  减少  确定  返回

┆    ┆    ┆

┆    ┆    ┆

┆    ┆    ┆

┆    ┆    ┆

┆    ┆    ┆

┆    ┆    ┆------ 然后选择相应的序号修改系统高级参数。

高级参数

序号:01

增加  减少  确定  返回

高级参数

P01:0010

增加  减少  保存  取消

┆    ┆    ┆     

┆    ┆    ┆

┆    ┆    ┆

┆    ┆    ┆

┆    ┆    ┆

┆    ┆    ┆

┆    ┆    ┆

┆    ┆     ┆------ 4.自动测试

自动测试

(显示)

0

启动              停止

┆    ┆

┆    ┆

┆    ┆

┆    ┆

┆    ┆

┆    ┆

┆    ┆(显示)内容同主界面。

┆    ┆------5.显示语言设定

┆    ┆      切换液晶显示屏的显示语言(中文/英文)。

显示语言设定

中文

更改         保存 返回

┆    ┆

┆    ┆

┆    ┆

┆    ┆

┆    ┆

┆    ┆

┆    ┆------6.恢复出厂设置

是否恢复出厂参数?

确定              返回

┆------信息

┆    ┆------1.输入状态查询

┆    ┆     显示各端口的当前状态,显示1表示当前该端口有有效信号输入;可用于系┆    ┆     统的维修诊断。

┆    ┆

1.手动开(9)          0

2.手动关(10)         0

3.手动急停(11)       0

上翻  下翻        返回

┆    ┆

┆    ┆

┆    ┆

┆    ┆

┆    ┆

┆    ┆

序号

输入端口

状态

1

手动开(9)

0:无信号

1:有信号

2

手动关(10)

3

手动急停(11)

4

急停输入(12)

5

安全信号1(15)

6

安全信号2(16)

7

自动完全开门(17)

8

部分开门(18)

9

单键循环开关(20)

10

开门限位开关(21)

11

关门限位开关(22)

12

互锁输入(23)


┆    ┆

┆    ┆

┆    ┆

┆    ┆------2.总运行次数

┆    ┆      显示该套门控系统运行的次数。

总运行次数

88次

              返回

┆    ┆

┆    ┆

┆    ┆

┆    ┆

┆    ┆

┆    ┆

┆    ┆

┆    ┆

┆    ┆------3.历史(故障查询)

┆    ┆     可查询最近30次的历史故障。

01.   ERR23  未进行电子

行程设定

2015-11-17  10:25

上翻  下翻        返回

┆    ┆

┆    ┆

┆    ┆

┆    ┆

┆    ┆

┆    ┆

┆    ┆

┆    ┆

┆    ┆------4.系统查询

            用于部分系统监控数据的查询。

┆    ┆------5.系统版本查询

┆    ┆    用于部分系统监控数据的查询。

┆    ┆------6.实时时间查询

┆           显示内置实时时钟当前时间,可通过设置-实时时钟设定修改。

实时时钟显示

2015-11-17

12:12:12

              返回

┆------故障

          显示正在发生的故障,部分故障会自动复位,可在历史故障中查询。

 

ERR 19

外置编码器故障

        返回

 

 

 

八、故障代码说明

故障代码

故障内容

处理办法

ERR01

系统过流

进行初始角度测试,测试完成后依旧报错;请联系厂家进行处理。

ERR03

系统欠压

检查现场电源电压是否不稳定,过高或过低,若有则调节现场电源;若无问题请联系厂家进行处理。

ERR04

停机时过压

ERR05

运行时过压

ERR06

电机堵转

检查刹车是否卡死,门体是否有卡点;若无问题请联系厂家进行处理。

ERR07

超出限位位置

点动模式下使门体回到限位位置内即可;若在限位内仍然报错,请联系厂家进行处理。

ERR08

主板数据存储故障

请联系厂家进行处理。

ERR09

超速故障

进行初始角度测试,测试完成后依旧报错;请联系厂家进行处理。

ERR10

反转故障

进行初始角度测试,测试完成后依旧报错;请联系厂家进行处理。

ERR11

系统过载

门体过重超出控制系统的额定功率,适当降低运行频率或更换更大功率设备或更高倍比减速机。

ERR12

电流检测回路故障

请联系厂家进行处理。

ERR13

电机编码器故障

检查线缆是否有损坏,航空插头是否有松动或生锈;若以上情况均良好则联系厂家进行处理。

ERR14

电机初始角错误

非测试状态下报错请联系厂家进行处理。

ERR15

通信故障

检查显示屏及显示屏连接线是否有损坏;若以上情况均良好则联系厂家进行处理。

ERR18

制动回路故障

检查水泥电阻是否接触不良,线缆是否有损坏;若以上情况均良好则联系厂家进行处理。

ERR19

外置编码器故障

检查线缆是否有损坏,航空插头是否有松动或生锈;若以上情况均良好则联系厂家进行处理。

ERR20

运行超时

关机重启后重新学习电子行程设定;若还有问题请联系厂家进行处理。

ERR21

单周期内安全信号1异常

请检查外接设备是否损坏,请更换或维修外接设备;若依旧报错请联系厂家进行处理。

ERR22

单周期内安全信号2异常

请检查外接设备是否损坏,请更换或维修外接设备;若依旧报错请联系厂家进行处理。

ERR23

未进行电子行程设定

重新进行电子行程设定。

ERR24

24V电源短路

拆除所有外接设备后重启设备,如故障消失表示外接设备有短路问题;如依旧报错请联系厂家进行处理。

ERR25

到达维护设定次数

联系厂家进行维护。

ERR26

限位开关故障

检查限位开关是否有损坏,更换限位开关,依旧报错请联系厂家进行处理。

ERR27

系统过热

关闭设备散热;降低设备使用频率。

九、接线定义表

端口号

功能

备注

1

地线

AC220V输入

2

火线

3

零线

4

制动电阻输出+

5

制动电阻输出-

6

抱闸电源输出+

7

抱闸电源输出-

8

公共端/电源负端

9

手动开门输入

常开

10

手动关门输入

常开

11

手动急停输入

常开

12

急停输入※

常开

13

DC+24V电源正端

14

公共端/电源负端

15

安全保护信号1输入

常开(接红外、气囊等),急停动作

16

安全保护信号2输入

常开(接红外、气囊等),反转开门动作

17

自动完全开门信号输入

常开(接雷达、地感)

18

部分开门信号输入

常开(接雷达、地感)

19

公共端/电源负端

20

单键循环开关

常开

21

开门限位开关输入

常开

22

关门限位开关输入

常开

23

互锁输入

常开

24

DC+24V电源正端

25

公共端/电源负端

26

可编程继电器1A输出

1A-1B常开,根据信号输出1设定动作

27

可编程继电器1B输出

28

可编程继电器2A输出

2A-2B常开,根据信号输出2设定动作

29

可编程继电器2B输出

30

RS485+

RS485通信接口

31

RS485-

 

 

 

 

十、配线及注意事项

Ø  控制器和电机安全接地,接地线径为3.5mm²以上铜线,接地电阻小于10Ω。

Ø  控制器出厂前已通过耐压试验,用户不可再对控制器进行耐压试验。

Ø  控制器与电机之间不可加装电磁接触器和吸收电容或其它阻容吸收装置。

Ø  装任何部件,都必须断电且等线路板上的LED灯灭后再操作!切勿带电操作

勿湿手操作,请戴绝缘手套操作!勿用手触碰按键绝缘部分外

十一接线示意图
快速门-接线示意图高速门-接线示意图快速卷帘门-接线示意图快速门-接线示意图快速门-接线示意图快速门-接线示意图快速门-接线示意图.png快速门-接线示意图.png

十二、实用便捷功能

1.总运行次数记录          

记录该设备运行的总次数。(方便客户查看设备使用次数,使用频率)

操作:点击“信息”→选择“总运行次数”

2.历史故障查询

自动记录最近三十次的故障。(设备发生故障后,可以根据记 录快速查找故障原因,便于设备维修,维护)

操作:点击“信息”→选择“历史故障查询”

3.显示语言设定:             

中/英文显示。(文字显示使设备更易操作,更易上手,状态体现更更准确,更详细,同时便于做出口外贸)

操作:点击“设置”→输入密码“6668”→选择“显示语言设定”

4.自动防冻运行:              

防止电机在超低温的情况下被冻死。(此功能特别适用于北方极寒地区,以及冷冻库等特殊地方,能有效防止电机与门体被冻住)

操作:点击“设置”→输入密码“6668”→选择“参数设置”→选择“自动防冻”

5.自动测试:                         

开启后设备会自动模拟开关门动作,无需手动操作(方便客户对设备进行检验,测试)

操作:点击“设置”→输入密码“6668”→选择“参数设置”→选择“设备高级设定”→选择“自动测试”

6.无级变速:                          

可任意调节设备开关门运行速度,同时电机会自动生成相匹配的参数,保证设备的最佳运行效果。(门体改变大小或轻重时,可根据现场需求直接调整速度数值即可,无需其余参数设置)

操作:点击“设置”→输入密码“6668”→选择“参数设置”→选择“开门速度”/“关门速度”→设定开/关门速度值

7.双编码器:                          

配备外置编码器的同时,电机本身带一个内置编码器,形成内外互补,大大提高门设备对于门体运行位置的把控,极大减少了跑限位情况的发生。

8.限位装置兼容:            



感应您对深圳市乙元兴自动门有限公司的信任和支持!
以”精准、创新、品牌、诚信“为经营宗旨是乙元兴自动门立足长远、着眼未来、不断开拓创新,与大家携手共创辉煌明天。

联系我们

全国免费服务热线:

400-660-2801

业务热线:15338821381(陈小姐)

座机:0755-25632912

传真:0755-25638193

E-Mall:szyyx@126.com

地址:深圳市龙岗区横岗街道六约社区牛始埔金塘路3号1楼


微信客服

© 2019 深圳市乙元兴自动门有限公司 版权所有  京ICP证000000号

陈小姐
服务时间:
9:00-18:00(工作日)